Cod produs 3470 DIR 200 P63
Roată pivotantă, Furcă din tablă din oţel, ambutisată, zincată, cap pivotant cu rulment pe două rânduri de bile, axul roţii cu şurub şi piuliţă, flanşă antipraf, sistem de prindere tip placă. Jantă din tablă din oţel, ambutisată, suprafaţă de rulare din cauciuc plin de culoare gri, non-marking, rulment cu role ace
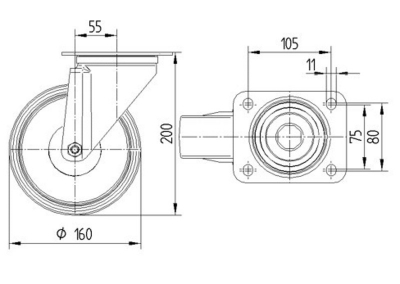
Diametrul roţii – 200 mm
Suprafaţă rulare – 50 mm
Marimea placii – 137 x 105 mm
Gauri de prindere – 105 x 80/75 mm
Gaura – 11 mm
Deviaţie de la ax – 55 mm
Diametrul de pivotare – 310 mm
Înălţime totală – 240 mm
Sarcină dinamică – 205 kg
Temperatura – 20 / + 60 gradc
Standard EN – 12532
Greutate – 3 kg
Raza de pivotare – 155 mm
Rigiditatea suprafeţei de rulare – A 80 Shore
Inoxidabil – nu
Conductivitate electrică – nu
Furcă – Role pivotante




Reviews
There are no reviews yet.