Cod produs 3470 UAR 160 P63 red
Roată pivotantă, Furcă din tablă din oţel, ambutisată, zincată, cap pivotant cu rulment pe două rânduri de bile, axul roţii cu şurub şi piuliţă, flanşă antipraf, sistem de prindere tip placă. Jantă din poliamidă suprafaţă de rulare din poliuretan, rulment cu colivie cu ace
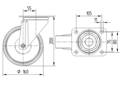
Diametrul roţii – 160 mm
Suprafaţă rulare – 40 mm
Marimea placii – 137 x 105 mm
Gauri de prindere – 105 x 80/75 mm
Gaura – 11 mm
Deviaţie de la ax – 55 mm
Diametrul de pivotare – 270 mm
Înălţime totală – 200 mm
Sarcină dinamică – 350 kg
Temperatura – 20 / + 80 gradc
Standard EN – 12532
Greutate – 2 kg
Diametru guler – 96 mm
Raza de pivotare – 135 mm
Rigiditatea suprafeţei de rulare – D 42 Shore
Inoxidabil – nu
Conductivitate electrică – nu
Furcă – Role pivotante




Reviews
There are no reviews yet.