LIVRARE GRATUITA LA COMENZI PESTE 300 LEI
  • Newsletter
  • Contact Us
  • FAQs
Selectează categoria
  • Selectează categoria
  • 3D PRINTING – servicii printare piese industriale
  • ArtEco Concept
  • BALUSTRADE
  • BILE RULMENTI
  • CURELE AGRICULTURA
    • HB
    • HC
    • Variator agricultura
  • CURELE DE TRANSMISIE
    • CURELE ALȚI PRODUCĂTORI
    • DINTATE
      • CU PAS IN INCH
        • DH
        • H
        • L
        • MXL
        • XH
        • XL
      • CU PAS METRIC
        • HTD 14M
        • HTD 3M
        • HTD 5M
        • HTD 8M
        • STD 8M
        • STD 8M/PK
    • DINTATE DIN POLIURETAN
      • AT 10
      • AT 3
      • AT 5
      • ATP10
      • T10
      • T2,5
      • T5
    • MULTITRAPEZOIDALE
      • PJ
      • PK
      • PL
      • PM
    • TRAPEZOIDALE CLASICE
      • 10 / Z
      • 13 / A
      • 17 / B
      • 20
      • 22 / C
      • 25 / –
      • 32 / D
      • 40 / E
      • 8 / –
    • TRAPEZOIDALE DINTATE
      • AVX 10
      • AVX 13
      • AX
      • BX
      • CX
      • XPA
      • XPB
      • XPC
      • XPZ
      • ZX
    • TRAPEZOIDALE INGUSTE
      • SPA
      • SPB
      • SPC
      • SPZ
  • FURTUN INDUSTRIAL
    • ABRAZIUNE
    • ABUR APA FIERBINTE
    • AER si AER COMPRIMAT
    • ALIMENTAR
    • APA
    • GAZE SPECIALE
    • POLIURETAN
    • PRODUSE CHIMICE
    • PVC
    • SILICONIC
    • ULEI si COMBUSTIBIL
  • Mase industriale
  • MASE PLASTICE Industriale
    • Poliacetal POM
      • Placa POM
    • Poliamida PA6
      • Bară PA6
      • Placa PA6
      • Tub PA6
    • Polipropilenă PP
      • Bară PP
      • Placă PP
    • PVC Densitate Mare
      • Bară PVC
      • Placă PVC
    • Teflon PTFE
      • Bara PTFE
  • ROTI SI ROLE
    • 100 mm
    • 125 mm
    • 150 mm
    • 160 mm
    • 200 mm
    • 50 mm
    • 75 mm
    • 80 mm
    • Rola
  • RULMENTI
    • 2XX
    • 3XX
    • 6XXX
    • D/W Series
    • HK
    • N Series
    • RULMENȚI ALȚI PRODUCĂTORI
    • UC/UCX
    • Y Series
  • Semifabricate – bare si placi
  • SIMERING
  • Toate produsele
Autentificare / Înregistrare
Lista de dorințe
0 Compara
0 articol / 0,00 lei
Meniu
0 articol / 0,00 lei
PRODUSE
  • ArtEco Concept
  • BALUSTRADE
  • RULMENTI
    • 6XXX
    • 2XX
    • 3XX
    • N Series
    • Y Series
    • D/W Series
    • HK
    • UC/UCX
    • BILE RULMENTI
  • ROTI SI ROLE
    • 50 mm
    • 75 mm
    • 80 mm
    • 100 mm
    • 125 mm
    • 160 mm
    • 200 mm
    • 250 mm
    • Role transpaleti
    • Rola
  • CURELE DE TRANSMISIE
    • TRAPEZOIDALE CLASICE
      • 10 / Z
      • 13 / A
      • 17 / B
      • 20
      • 22 / C
      • 25 / –
      • 32 / D
      • 40 / E
      • 8 / –
    • TRAPEZOIDALE INGUSTE
      • SPZ
      • SPA
      • SPB
      • SPC
    • TRAPEZOIDALE DINTATE
      • XPZ
      • XPA
      • XPB
      • XPC
      • AVX 10
      • AVX 13
      • ZX
      • AX
      • BX
      • CX
    • DINTATE
      • CU PAS METRIC
        • HTD 3M
        • HTD 5M
        • HTD 8M
        • HTD 14M
        • STD 8M
        • DHTD D5M
        • DHTD D8M
        • STD 8M/PK
      • CU PAS IN INCH
        • MXL
        • XL
        • L
        • H
        • XH
        • DH
    • MULTITRAPEZOIDALE
      • PJ
      • PK
      • PL
      • PM
    • DINTATE DIN POLIURETAN
      • AT 10
      • AT 5
      • AT 3
      • T2,5
      • T5
      • T10
      • ATP10
      • T20
      • T2
      • DR
    • DESCHISE DIN POLIURETAN
      • AT5 / ML
      • T5 / ML
      • T10 / ML
      • HTD 5M 25 / ML
      • HTD 14 M 55 / ML
      • AT 10 / ML
    • CURELE DE VARIATOR
    • CURELE HEXAGONALE
      • AA
      • BB
      • CC
    • CURELE AGRICULTURA
      • HB
      • HC
      • Variator agricultura
  • FURTUN INDUSTRIAL
    • ALIMENTAR
    • ABRAZIUNE
    • ABUR APA FIERBINTE
    • AER si AER COMPRIMAT
    • APA
    • POLIURETAN
    • PRODUSE CHIMICE
    • ULEI si COMBUSTIBIL
    • GAZE SPECIALE
    • VENTILATIE
    • PVC
    • SILICONIC
  • MASE PLASTICE Industriale
    • Polipropilenă PP
      • Bară PP
      • Placă PP
      • Disc PP
    • Poliamida PA6
      • Bară PA6
      • Placa PA6
      • Tub PA6
    • SticloTextolit STX
    • Polietilentereftalat PET
    • PVC Densitate Mare
      • Bară PVC
      • Placă PVC
    • Textolit TEX
    • Teflon PTFE
      • Bara PTFE
      • Placa PTFE
      • Bucșă PTFE
    • Plexiglas PX
    • Poliacetal POM
      • Placa POM
    • Polietilenă PE
    • Policarbonat Compact PC
  • SIMERING
  • 3D PRINTING – servicii printare piese industriale
  • Acasa
  • Depozit on-line
    • Roti si Role HOT
      • Roti de 50mm
      • Roti de 75mm
      • Roti de 80mm
      • Roți de 100mm
      • Roți de 125mm
      • Roți de 160mm NEW
      • Roți de 200mm
      • Roți de 250mm
      • Role Transpaleți
    • Curele Transmisie effects
      • Trapezoidale Clasice Populare
      • Trapezoidale Înguste
      • Trapezoidale Dințate
      • Dințate
      • Multitrapezoidale
      • Dințate din poliuretan
      • Deschise din poliuretan
      • Curele de variator
      • Curele Hexagonale
      • Curele Agricultură
    • Rulmenți
      • 6XXX
      • 2XX HOT
      • 3XX
      • N Series
      • Y Series
      • D/W Series
      • HK
      • UC/UCX
      • Bile Rulmenti
    • ArtECO Concept
      • Rasina Epoxidica 1,5Kg În stoc!
      • Rășină Epoxidică 60Kg Cel mai bun Preț!
      • Suport pahare HOT
    • Link-uri rapide
      • Despre noi
      • My account
      • Condiții de livrare
  • Blog
  • Portofoliu
  • Despre noi
  • Contact
Faceți click pentru a mări
Home ROTI SI ROLE 160 mm Roata pivotanta din poliamida, fixare pe placa, calea de rulare din poliamida, D 160 mm
Roata pivotanta din poliamida, fixare pe placa, calea de rulare din poliamida, D 125 mm 40,29 lei
Inapoi la produse
Roata pivotanta din poliamida, fixare pe placa, calea de rulare din poliamida, D 200 mm 103,70 lei

Roata pivotanta din poliamida, fixare pe placa, calea de rulare din poliamida, D 160 mm

78,84 lei

Weight 2 kg
Diametrul rotii

160 mm

Sarcina dinamica

350Kg

Tip roata

Pivotanta

Tip prindere

Fixare pe placa

Bulk deal
Quantity Discount Discounted price
10 + 3% 76,47 lei
Bulk pricing will be applied to package:
  • Product from categories: RULMENTI, ROTI SI ROLE
Compara
Adaugă la favorite
SKU: 3470UOO160P63 Category: 160 mm
Share:
  • Description
  • Reviews (0)
  • Shipping & Delivery
Description

Cod produs 3470 UOO 160 P63

Roată pivotantă, Furcă din tablă din oţel, ambutisată, zincată, cap pivotant cu rulment pe două rânduri de bile, axul roţii cu şurub şi piuliţă, flanşă antipraf, sistem de prindere tip placă. Roată din poliamidă, rulment plan (bucşă antifricţiune)

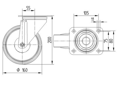
Diametrul roţii – 160 mm

Suprafaţă rulare – 40 mm

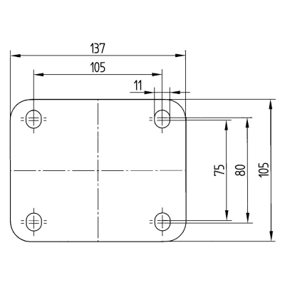
Marimea placii – 137 x 105 mm

Gauri de prindere – 105 x 80/75 mm

Gaura – 11 mm

Deviaţie de la ax – 55 mm

Diametrul de pivotare – 270 mm

Înălţime totală – 200 mm

Sarcină dinamică – 350 kg

Temperatura – 20 / + 80 gradc

Standard EN – 12532

Greutate – 2 kg

Diametru guler – 96 mm

Raza de pivotare – 135 mm

Rigiditatea suprafeţei de rulare – D 75 Shore

Inoxidabil – no

Conductivitate electrică – no

Furcă – Role pivotante

Reviews (0)

Reviews

There are no reviews yet.

Only logged in customers who have purchased this product may leave a review.

Shipping & Delivery
wd-ship-1
wd-ship-2

TERMENI SI CONDITII DE LIVRARE

Livrare in BUCURESTI

Produsele sunt livrate in Bucuresti prin intermediul curierilor Ro8 sau a firmelor de curierat.

Cheltuielile de expeditie si manipulare sunt stabilite la nivelul cosului de cumparaturi si se vor afisa in cadrul costului total, dupa ce veti selecta adresa si modalitatea de plata.

Livrare in TARA

Livrarea produselor in tara se face prin intermediul firmelor de curierat

Livrarea coletelor se face in 24-48h. Acest timp este calculat avand ca moment initial ridicarea coletului de catre firma de curierat de la depozitul Ro8, pot interveni modificari are timpilor de livrare functie de conditiile meteo sau perioadele de reduceri.

Cheltuielile de expeditie si manipulare sunt stabilite la nivelul cosului de cumparaturi si se vor afisa in cadrul costului total, dupa ce veti selecta adresa si modalitatea de plata.

Exceptie fac situatiile in care factorii meteo, numarul foarte mare de comenzi, precum si alte elemente neprevazute pot reprezenta cauze pentru marirea timpului de livrare mentionat mai sus.

Related products

Compara
Vizualizare rapidă
Adaugă la favorite
Add to cart

Roata pivotanta din polipropilena, fixare pe placa, calea de rulare din cauciuc negru plin, D 160 mm

Cod Produs: 3470PVR160P63
56,02 lei
Compara
Vizualizare rapidă
Adaugă la favorite
Add to cart

Roata pivotanta, fixare pe placa, calea de rulare din cauciuc negru plin D 160 mm

Cod Produs: 3370DVR160P62
79,23 lei
Compara
Vizualizare rapidă
Adaugă la favorite
Add to cart

Roata pivotanta cu blocare totala din tabla de otel, fixare pe placa, calea de rulare din cauciuc, D 160 mm

Cod Produs: 3377DVR160P62
103,70 lei
Compara
Vizualizare rapidă
Adaugă la favorite
Add to cart

Roata 160 mm din cauciuc elastic gri

Cod Produs: UFR160x46-Ø20
99,93 lei
Compara
Vizualizare rapidă
Adaugă la favorite
Add to cart

Roata pivotanta cu blocare totala din poliamida, fixare pe placa, calea de rulare din poliamida, D 160 mm

Cod Produs: 8477UOO160P63 
273,50 lei
Compara
Vizualizare rapidă
Adaugă la favorite
Add to cart

Roata pivotanta cu blocare totala din polipropilena, fixare pe placa, calea de rulare din cauciuc plin negru, D 160 mm

Cod Produs: 3477PVR160P63
71,84 lei
Compara
Vizualizare rapidă
Adaugă la favorite
Add to cart

Roata fixa din poliamida, fixare pe placa, calea de rulare din poliuretan, D 160 mm, RED

Cod Produs: 3478UAR160P63 red
120,07 lei
Compara
Vizualizare rapidă
Adaugă la favorite
Add to cart

Roata fixa din poliamida, fixare pe placa, calea de rulare din poliamida D 160 mm

Cod Produs: 3478UOO160P63
61,06 lei
  • OUR STORES
    • New York
    • London SF
    • Cockfosters BP
    • Los Angeles
    • Chicago
    • Las Vegas
  • USEFUL LINKS
    • Privacy Policy
    • Returns
    • Terms & Conditions
    • Contact Us
    • Latest News
    • Our Sitemap
  • OUR STORES
    • New York
    • London SF
    • Cockfosters BP
    • Los Angeles
    • Chicago
    • Las Vegas
  • USEFUL LINKS
    • Privacy Policy
    • Returns
    • Terms & Conditions
    • Contact Us
    • Latest News
    • Our Sitemap

Join our newsletter!

Will be used in accordance with our Privacy Policy

WOODMART 2022 CREATED BY XTEMOS STUDIO. PREMIUM E-COMMERCE SOLUTIONS.
  • Meniu
  • Categorii
  • ArtEco Concept
  • BALUSTRADE
  • RULMENTI
    • 6XXX
    • 2XX
    • 3XX
    • N Series
    • Y Series
    • D/W Series
    • HK
    • UC/UCX
    • BILE RULMENTI
  • ROTI SI ROLE
    • 50 mm
    • 75 mm
    • 80 mm
    • 100 mm
    • 125 mm
    • 160 mm
    • 200 mm
    • 250 mm
    • Role transpaleti
    • Rola
  • CURELE DE TRANSMISIE
    • TRAPEZOIDALE CLASICE
      • 10 / Z
      • 13 / A
      • 17 / B
      • 20
      • 22 / C
      • 25 / –
      • 32 / D
      • 40 / E
      • 8 / –
    • TRAPEZOIDALE INGUSTE
      • SPZ
      • SPA
      • SPB
      • SPC
    • TRAPEZOIDALE DINTATE
      • XPZ
      • XPA
      • XPB
      • XPC
      • AVX 10
      • AVX 13
      • ZX
      • AX
      • BX
      • CX
    • DINTATE
      • CU PAS METRIC
        • HTD 3M
        • HTD 5M
        • HTD 8M
        • HTD 14M
        • STD 8M
        • DHTD D5M
        • DHTD D8M
        • STD 8M/PK
      • CU PAS IN INCH
        • MXL
        • XL
        • L
        • H
        • XH
        • DH
    • MULTITRAPEZOIDALE
      • PJ
      • PK
      • PL
      • PM
    • DINTATE DIN POLIURETAN
      • AT 10
      • AT 5
      • AT 3
      • T2,5
      • T5
      • T10
      • ATP10
      • T20
      • T2
      • DR
    • DESCHISE DIN POLIURETAN
      • AT5 / ML
      • T5 / ML
      • T10 / ML
      • HTD 5M 25 / ML
      • HTD 14 M 55 / ML
      • AT 10 / ML
    • CURELE DE VARIATOR
    • CURELE HEXAGONALE
      • AA
      • BB
      • CC
    • CURELE AGRICULTURA
      • HB
      • HC
      • Variator agricultura
  • FURTUN INDUSTRIAL
    • ALIMENTAR
    • ABRAZIUNE
    • ABUR APA FIERBINTE
    • AER si AER COMPRIMAT
    • APA
    • POLIURETAN
    • PRODUSE CHIMICE
    • ULEI si COMBUSTIBIL
    • GAZE SPECIALE
    • VENTILATIE
    • PVC
    • SILICONIC
  • MASE PLASTICE Industriale
    • Polipropilenă PP
      • Bară PP
      • Placă PP
      • Disc PP
    • Poliamida PA6
      • Bară PA6
      • Placa PA6
      • Tub PA6
    • SticloTextolit STX
    • Polietilentereftalat PET
    • PVC Densitate Mare
      • Bară PVC
      • Placă PVC
    • Textolit TEX
    • Teflon PTFE
      • Bara PTFE
      • Placa PTFE
      • Bucșă PTFE
    • Plexiglas PX
    • Poliacetal POM
      • Placa POM
    • Polietilenă PE
    • Policarbonat Compact PC
  • SIMERING
  • 3D PRINTING – servicii printare piese industriale
  • Acasa
  • Depozit
  • Blog
  • Portofoliu
  • Despre noi
  • Contact
  • Lista de dorințe
  • Compara
  • Autentificare / Înregistrare
Cos de cumpărături
închide

Autentificare

închide

Ți-ai uitat parola?

Nu ai inca un cont?

Creați un cont
Folosim cookie-uri pentru a îmbunătăți experiența pe website. Folosind acest site, sunteți de acord cu politica noastră de cookie-uri.
Acceptă

Toate produsele din site-ul nostru necesită confirmare stocuri. Atenție la plasarea comenzii, termenul de livrare este diferit în funcție de produs! Dismiss

Magazin
Lista de dorințe
0 articol Coș
Contul meu