Cod produs 2477 PJO 100 P50
Role pivotante cu blocare totală, pedala pe partea opusă direcţiei de rulare, furcă din tablă din oţel, ambutisată, zincată, rând dublu de bile în capul pivotant, ax cu şurub, sistem de prindere tip placă. Jantă din polipropilenă, suprafaţă de rulare din cauciuc gri tip TENTEprene (cauciuc termoplastic), non-marking, rulment plan (bucşă antifricţiune)
Diametrul roţii 100 mm
Suprafaţă rulare 32 mm
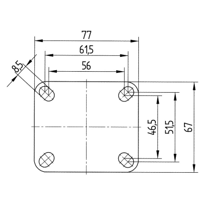
Marimea placii 77 x 67 mm
Gauri de prindere 61,5/56 x 51,5/46,5 mm
Gaura 8,5 mm
Deviaţie de la ax 44 mm
Diametrul de pivotare 262 mm
Înălţime totală 135 mm
Sarcină dinamică 80 kg
Temperatura – 20 / + 60 gradc
Standard EN 12530
Greutate 0,763 kg
Diametru guler 60 mm
Raza de pivotare 131 mm
Rigiditatea suprafeţei de rulare A 87 Shore
Inoxidabil nu
Conductivitate electrică nu
Furcă Role pivotante cu blocare totala




Reviews
There are no reviews yet.