Cod produs 3477 UAR 100 P62 red
Role pivotante cu blocare totală, pedala pe partea opusă direcţiei de rulare, Furcă din tablă din oţel, ambutisată, zincată, cap pivotant cu rulment pe două rânduri de bile, axul roţii cu şurub şi piuliţă, flanşă antipraf, sistem de prindere tip placă. Jantă din poliamidă suprafaţă de rulare din poliuretan, rulment cu colivie cu ace
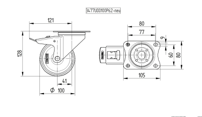
Diametrul roţii – 100 mm
Suprafaţă rulare – 32 mm
Marimea placii – 105 x 80 mm
Gauri de prindere – 80/77 x 60 mm
Gaura – 9 mm
Deviaţie de la ax – 41 mm
Diametrul de pivotare – 246 mm
Înălţime totală – 128 mm
Sarcină dinamică – 150 kg
Temperatura – 20 / + 80 gradc
Standard EN – 12532
Greutate – 0,927 kg
Diametru guler – 75 mm
Raza de pivotare – 123 mm
Rigiditatea suprafeţei de rulare – D 42 Shore
Inoxidabil – nu
Conductivitate electrică – nu
Furcă – Role pivotante cu blocare totala




Reviews
There are no reviews yet.